India Flag         Kazakhstan Flag         Russia Flag

Process Pumps


Process Pumps ISO 2858 Type STHZ Series

Nomenclature

Chemical Process Pump =
Series - STHZ
Discharge (mm) - 100
Impeller dia (mm) - 315

General Description

Model STHZ Centrifugal Pumps are of horizontal, single-stage, Singlesuction, volute casing design that corresponds with regard to sizes, capacities and main dimensions to DIN 24256 and ISO 2858 up to size 400. In addition a number of other sizes are available. The rear pull-out design enables the bearing pedestal including impeller and shaft seal to be removed with the Volute casing left in position. The removal of the driver can be avoided if a spacer coupling is used. The limits of the application depend on pump size and materials used. The direction of rotation of the pumps is always clockwise When viewed from drive-end.

  • Slurry Process Pumps
Slurry Process Pumps

Design Features

  • Max Pressure - 24 kg/cm2
  • Max Head offered – 250m
  • Flow Max – 2000m3/hr
  • Temperature Range - Minus 35 to 300 Deg C.
  • Max Speed – 3600 rpm
  • Discharge Sizes – 25 – 400mm

Purpose of Pump

Transport low or high temperature liquid; Neutral or corrosive liquids; Clean or solid grains contained liquids. Specially Applied for:

  • Chemical and petrochemical industries
  • Oil refinery
  • Paper and Paper pulp industries
  • Sugar refine Industry
  • Thermic Fluids
  • Water & wastewater

Material of construction

Choice of the material of construction will depend on operating conditions and the nature of liquid being pumped. Bearing housing is made of cast iron. Parts in contact with liquid are provided with following standard materials:

  • Cast Iron
  • Cast Steel
  • Stainless steel
  • Duplex Steel

Media Transported

  • Sulphuric Acid and Nitric acid of various temperatures and concentrations, salt.
  • Acid and phorpheric acid etc. Organic and inorganic acids
  • Sodium hydroxide, sodium carbonate etc, alkaline solutions of various temperatures and concentrations.
  • Various salt solutions
  • Various liquid petrochemical products, organic compounds and other corrosive raw materials and products.

The corrosion-proof materials available in factory can met the requirements of above various media.Please provide us the detailed information about the media to be transported during pre order.

Performance Range

pump-performence-range-1 pump-performence-range-2

Cross Sectional Drawing

slurry-pump-cross-sectional-drawing pumps-tables

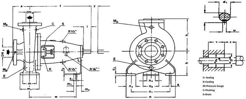
Pump Dimensions

slurry-pump-dimensions slurry-pump-spec